欢迎光临常州亚邦制药有限公司官网!
中文版
|
ENGLISH
联系我们
在线交易
企业风貌
人才招聘
企业荣誉
新闻中心
产品介绍
公司简介
网站首页
原料药
盐酸克仑特罗
氯雷他定
盐酸普萘洛尔
呋塞米/速尿
替米沙坦
盐酸小檗碱(黄连素)
苯磺酸氨氯地平
中间体
替米沙坦中间体
罗苏伐他汀中间体
普卢利沙星中间体
那氟沙星中间体
普萘洛尔中间体
其他中间体
新闻中心
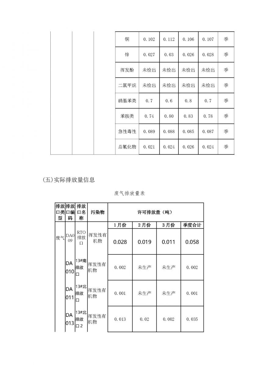
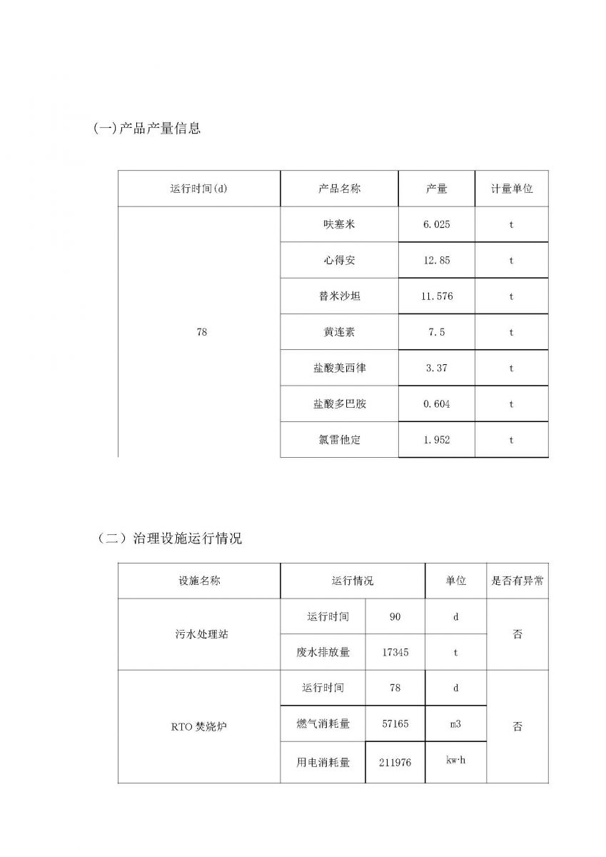
2023年第一季度排污许可证执行报告
2023-04-10
返回